Thông tin của củ sen tắm TOTO TBG03302VA:
Củ sen tắm nóng lạnh TOTO TBG03302VA
Trong thế giới nội thất phòng tắm hiện đại, việc lựa chọn một sản phẩm vòi sen chất lượng cao, bền bỉ và tích hợp công nghệ tiên tiến là yếu tố then chốt để nâng tầm trải nghiệm thư giãn. Củ sen tắm nóng lạnh TOTO TBG03302VA thuộc dòng GS Series nổi bật với thiết kế tinh tế, vật liệu cao cấp và những tính năng vượt trội, hứa hẹn mang đến sự hài lòng tối đa cho người sử dụng, góp phần hoàn thiện không gian sống đẳng cấp.

Củ sen tắm nóng lạnh TOTO TBG03302VA là một sản phẩm cao cấp đến từ thương hiệu TOTO danh tiếng, được thiết kế để đáp ứng nhu cầu sử dụng ngày càng cao về thẩm mỹ và công năng trong không gian phòng tắm hiện đại. Thuộc bộ sưu tập GS Series, mẫu củ sen này không chỉ mang đến vẻ đẹp sang trọng, tinh tế mà còn được trang bị những công nghệ độc quyền, đảm bảo trải nghiệm sử dụng mượt mà và bền bỉ theo thời gian. Với chất liệu đồng cao cấp mạ Niken-Chrome, sản phẩm này có khả năng chống ăn mòn vượt trội, giữ cho bề mặt luôn sáng bóng và bền đẹp ngay cả trong môi trường ẩm ướt thường xuyên.
Để có cái nhìn toàn diện về sản phẩm, chúng ta hãy cùng điểm qua các thông số kỹ thuật quan trọng của củ sen tắm nóng lạnh TOTO TBG03302VA:
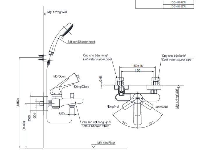
Bảng vẽ kỹ thuật:

Nhằm đáp ứng đa dạng sở thích thẩm mỹ và phong cách thiết kế nội thất phòng tắm, TOTO TBG03302VA mang đến nhiều tùy chọn màu sắc khác nhau, cho phép bạn dễ dàng phối hợp với các thiết bị vệ sinh khác như bồn cầu, lavabo, phụ kiện và bồn tắm:

Củ sen tắm nóng lạnh TOTO TBG03302VA không chỉ thu hút bởi thiết kế đa dạng mà còn chinh phục người dùng bởi những ưu điểm vượt trội về công nghệ và chất lượng:
Với đường nét thiết kế tối giản nhưng không kém phần tinh xảo, dòng GS Series nói chung và TOTO TBG03302VA nói riêng mang đến vẻ đẹp hiện đại, sang trọng, dễ dàng hòa hợp với mọi phong cách kiến trúc nội thất phòng tắm, từ cổ điển đến đương đại. Sản phẩm góp phần nâng tầm không gian sống, biến phòng tắm trở thành một nơi thư giãn lý tưởng.
Một trong những điểm cộng lớn nhất của TOTO TBG03302VA là công nghệ mạ cao cấp. Lớp mạ Niken dày gấp 3 lần so với tiêu chuẩn thông thường, kết hợp với lớp Chrome sáng bóng bên ngoài, tạo nên một bề mặt có khả năng chống ăn mòn, chống trầy xước và chống oxy hóa cực kỳ hiệu quả. Điều này không chỉ giúp sản phẩm giữ được vẻ ngoài sáng bóng như mới sau nhiều năm sử dụng mà còn đảm bảo an toàn cho sức khỏe người dùng, tránh các vấn đề về gỉ sét hay phai màu.
TOTO luôn đi đầu trong việc ứng dụng công nghệ tiên tiến vào sản phẩm của mình. Củ sen tắm nóng lạnh này được trang bị công nghệ tay gạt siêu êm độc quyền của TOTO. Cơ chế hoạt động mượt mà, nhẹ nhàng giúp người dùng dễ dàng điều chỉnh cả nhiệt độ và lưu lượng nước theo ý muốn chỉ với một thao tác gạt đơn giản. Đặc biệt, với bộ phận van chính được cấu tạo từ đĩa sứ cao cấp, TOTO TBG03302VA cho phép điều chỉnh lượng nước cực kỳ chính xác, ngay cả khi bạn chỉ cần một lượng nước nhỏ nhất, ví dụ như khi vệ sinh kính áp tròng. So với các loại vòi sen thông thường, sản phẩm này mang lại trải nghiệm sử dụng vượt trội và tiết kiệm nước hiệu quả.
Nhờ việc sử dụng chất liệu đồng thau cao cấp, quy trình sản xuất nghiêm ngặt và công nghệ mạ tiên tiến, củ sen tắm nóng lạnh TOTO TBG03302VA đảm bảo độ bền bỉ vượt trội. Sản phẩm có khả năng chống chịu tốt với điều kiện môi trường phòng tắm, hạn chế tối đa các hư hỏng thường gặp như rò rỉ nước, kẹt van hay gãy tay gạt. Điều này mang lại sự an tâm và tiết kiệm chi phí sửa chữa, bảo trì về lâu dài.
Việc lắp đặt một bộ sen tắm nóng lạnh như TOTO TBG03302VA mang lại nhiều lợi ích thiết thực cho người sử dụng:
Củ sen tắm nóng lạnh TOTO TBG03302VA với thiết kế đa dạng và tính năng ưu việt, là lựa chọn lý tưởng cho nhiều không gian khác nhau:
Khi lựa chọn mua củ sen tắm nóng lạnh TOTO TBG03302VA tại Nội Thất Anh Hùng, quý khách hàng sẽ nhận được các dịch vụ chuyên nghiệp:
Củ sen tắm nóng lạnh TOTO TBG03302VA là sự kết hợp hoàn hảo giữa thiết kế tinh tế, công nghệ tiên tiến và chất lượng vượt trội. Với nhiều tùy chọn màu sắc, khả năng chống ăn mòn cao, cùng cơ chế vận hành êm ái, sản phẩm này xứng đáng là lựa chọn hàng đầu cho những ai đang tìm kiếm một giải pháp vòi sen đẳng cấp, bền bỉ và mang lại trải nghiệm sử dụng tuyệt vời. Đầu tư vào TOTO TBG03302VA không chỉ là đầu tư vào một thiết bị vệ sinh, mà còn là đầu tư vào sự tiện nghi, thoải mái và nâng tầm chất lượng cuộc sống.
Thông tin liên hệ:
CÔNG TY TNHH THƯƠNG MẠI DỊCH VỤ H.MAI
Địa chỉ: 1104 Phạm Văn Đồng, Phường Thủ Đức, TP Hồ Chí Minh
Hotline: 0911997352
Điện thoại: 0911997352
Email: noithatanhhung1104@gmail.com
Website: https://noithatanhhung.com
Liên hệ ngay
Liên hệ ngay
Liên hệ ngay
Liên hệ ngay
Liên hệ ngay
Liên hệ ngay
Liên hệ ngay
Liên hệ ngay