Bộ vòi sen kết hợp giữa củ sen tắm và tay sen:
Củ sen tắm TOTO TBG03302VA
Tay sen tắm TOTO TBW02006V
Bộ sen tắm nóng lạnh TOTO TBG03302VA TBW02006V
Trong không gian phòng tắm hiện đại, việc lựa chọn một bộ sen tắm không chỉ đáp ứng nhu cầu sử dụng mà còn thể hiện gu thẩm mỹ tinh tế của gia chủ. Bộ sen tắm nóng lạnh TOTO TBG03302VA TBW02006V nổi bật với sự kết hợp hoàn hảo giữa công nghệ tiên tiến và thiết kế sang trọng, mang đến trải nghiệm tắm thư giãn đỉnh cao. Bài viết này sẽ đi sâu vào phân tích những ưu điểm vượt trội của sản phẩm, giúp bạn đưa ra quyết định sáng suốt cho phòng tắm của mình.

Bộ sen tắm nóng lạnh TOTO TBG03302VA TBW02006V là một sản phẩm đến từ thương hiệu TOTO danh tiếng, được thiết kế để mang lại sự tiện nghi và đẳng cấp cho phòng tắm. Sản phẩm bao gồm hai phần chính: củ sen tắm TOTO TBG03302VA và tay sen tắm TOTO TBW02006V. Sự kết hợp này tạo nên một hệ thống vòi sen mạnh mẽ, linh hoạt, đáp ứng đa dạng nhu cầu sử dụng của người dùng.
Củ sen tắm TOTO TBG03302VA thuộc bộ sưu tập GS, nổi bật với thiết kế hiện đại và chất liệu cao cấp.
Tay sen tắm TOTO TBW02006V là sự bổ sung hoàn hảo cho củ sen, mang đến nhiều trải nghiệm tắm độc đáo.
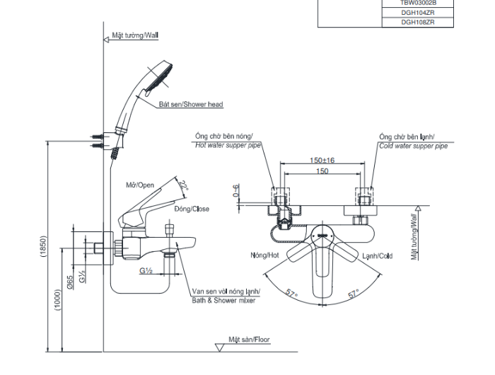
Bảng vẽ kỹ thuật:

Bộ sản phẩm này không chỉ đơn thuần là một thiết bị vệ sinh, mà còn là minh chứng cho sự đầu tư vào chất lượng và trải nghiệm người dùng của TOTO.
Sự kết hợp giữa củ sen TBG03302VA và tay sen TBW02006V tạo nên một tổng thể hài hòa, đường nét thanh thoát, phù hợp với mọi phong cách phòng tắm từ cổ điển đến hiện đại. Bề mặt sáng bóng của lớp mạ Niken-Chrome không chỉ tăng tính thẩm mỹ mà còn dễ dàng vệ sinh, giữ cho không gian luôn sạch sẽ.
Một trong những điểm cộng lớn nhất của sản phẩm là lớp mạ Niken có độ dày vượt trội, gấp 3 lần so với tiêu chuẩn thông thường. Điều này mang lại khả năng chống ăn mòn, chống trầy xước và chống bám bẩn cực kỳ hiệu quả, đặc biệt trong môi trường ẩm ướt của phòng tắm. Lớp mạ này đảm bảo sản phẩm giữ được vẻ đẹp như mới trong nhiều năm sử dụng.
Công nghệ tay gạt độc quyền của TOTO mang đến trải nghiệm điều chỉnh nước mượt mà và chính xác. Van chính với đĩa sứ cao cấp được thiết kế tối ưu, giúp việc điều chỉnh lưu lượng và nhiệt độ nước trở nên dễ dàng hơn bao giờ hết. Ngay cả khi bạn cần sử dụng lượng nước rất nhỏ, ví dụ như khi rửa kính áp tròng, bạn vẫn có thể điều chỉnh một cách nhanh chóng và chính xác.
Tay sen TBW02006V mang đến ba chế độ massage riêng biệt, biến giờ phút tắm gội thành khoảng thời gian thư giãn đích thực:
Công nghệ COMFORT WAVE: Tạo ra những tia nước mạnh mẽ với lực phun nhịp nhàng và hạt nước kích thước lớn. Chế độ này sử dụng một lượng nước tối ưu để mang lại cảm giác sảng khoái, hứng khởi cho người sử dụng, giúp đánh bay mệt mỏi.
Công nghệ ACTIVE WAVE: Tương tự COMFORT WAVE về kích thước hạt nước và sự nhịp nhàng, nhưng với cường độ nước mạnh hơn đáng kể. Chế độ này mang lại trải nghiệm tắm đầy năng lượng, giúp bạn tỉnh táo và tràn đầy sức sống.
Công nghệ WARM SPA: Sử dụng cấu trúc bên trong độc đáo để kiểm soát dòng chảy nước, tạo ra cảm giác êm ái khi nước chạm vào da. Dòng chảy nhẹ nhàng này giúp ngăn chặn quá trình tản nhiệt, giữ cho cơ thể ấm áp. Đặc biệt, khi kết hợp với sen tắm trần, dòng nước ấm sẽ lan tỏa và ôm trọn cơ thể, tạo ra một trải nghiệm thư giãn tuyệt vời, làm ấm cơ thể từ sâu bên trong.
Đầu tư vào bộ sen tắm nóng lạnh TOTO TBG03302VA TBW02006V không chỉ mang lại sự tiện nghi trong sinh hoạt hàng ngày mà còn là sự đầu tư vào sức khỏe và tinh thần.
Với ba chế độ massage độc đáo, mỗi lần tắm đều trở thành một liệu pháp spa tại nhà, giúp giảm căng thẳng, mệt mỏi và cải thiện tâm trạng.
Chất liệu cao cấp, lớp mạ dày và công nghệ tiên tiến đảm bảo sản phẩm có tuổi thọ cao, hoạt động ổn định trong thời gian dài, giúp bạn tiết kiệm chi phí sửa chữa và thay thế.
Mặc dù mang lại trải nghiệm tắm mạnh mẽ, các công nghệ của TOTO được thiết kế để tối ưu hóa lượng nước sử dụng, góp phần bảo vệ môi trường và giảm hóa đơn tiền nước hàng tháng.
Tay gạt điều chỉnh dễ dàng, bề mặt chống trơn trượt và thiết kế vát tròn an toàn cho mọi đối tượng sử dụng. Khả năng điều chỉnh chính xác lượng nước và nhiệt độ giúp tránh tình trạng nước quá nóng hoặc quá lạnh, đảm bảo an toàn cho làn da.
Bộ sen tắm nóng lạnh TOTO TBG03302VA TBW02006V là lựa chọn lý tưởng cho hầu hết các loại phòng tắm gia đình, căn hộ chung cư, khách sạn, resort, hoặc các công trình yêu cầu tiêu chuẩn cao về thiết bị vệ sinh. Việc lắp đặt bộ sen tắm này tương đối đơn giản, tuy nhiên, để đảm bảo hiệu suất hoạt động tối ưu và độ bền của sản phẩm, bạn nên tìm đến các chuyên gia hoặc đội ngũ kỹ thuật viên có kinh nghiệm. Các dịch vụ sửa chữa, bảo hành, bảo trì và lắp đặt chuyên nghiệp sẽ giúp bạn hoàn toàn yên tâm về sản phẩm.
Để sở hữu bộ sen tắm nóng lạnh TOTO TBG03302VA TBW02006V chất lượng cao, hoặc cần tư vấn sản phẩm về các thiết bị vệ sinh khác như bồn cầu, lavabo, vòi sen, phụ kiện, bồn tắm, bồn nước, máy nước nóng, bồn rửa chén, máy lọc nước, thiết bị nhà bếp, đèn trang trí, khóa điện tử, hay các giải pháp năng lượng mặt trời, quý khách hàng vui lòng liên hệ:
CÔNG TY TNHH THƯƠNG MẠI DỊCH VỤ H.MAI
Địa chỉ: 1104 Phạm Văn Đồng, Phường Thủ Đức, TP Hồ Chí Minh
Hotline: 0911997352
Điện thoại: 0911997352
Email: noithatanhhung1104@gmail.com
Website: https://noithatanhhung.com
Liên hệ ngay
Liên hệ ngay
Liên hệ ngay
Liên hệ ngay
Liên hệ ngay
Liên hệ ngay
Liên hệ ngay
Liên hệ ngay