Bộ vòi sen tắm kết hợp giữa củ sen tắm & tay sen:
Củ sen tắm TOTO TBG03302VA
Tay sen tắm TOTO TBW02006A
Bộ sen tắm nóng lạnh TOTO TBG03302VA TBW02006A
Trong bối cảnh nhu cầu nâng cao chất lượng cuộc sống ngày càng tăng, việc lựa chọn thiết bị vệ sinh không chỉ dừng lại ở chức năng mà còn đòi hỏi sự tinh tế trong thiết kế và công nghệ tiên tiến. Bộ sen tắm nóng lạnh TOTO TBG03302VA/TBW02006A nổi lên như một giải pháp hoàn hảo, mang đến trải nghiệm tắm gội đỉnh cao, kết hợp hài hòa giữa thẩm mỹ hiện đại và hiệu suất vượt trội.

Bộ sen tắm nóng lạnh TOTO TBG03302VA TBW02006A là sự kết hợp tinh tế giữa củ sen tắm TOTO TBG03302VA thuộc bộ sưu tập GS và tay sen tắm TOTO TBW02006A. Sản phẩm này không chỉ là một thiết bị vệ sinh thông thường mà còn là một tuyên ngôn về phong cách sống sang trọng, tiện nghi và đẳng cấp. Với TOTO, mỗi khoảnh khắc trong phòng tắm đều trở thành một trải nghiệm thư giãn đích thực, đánh thức mọi giác quan và phục hồi năng lượng sau một ngày dài.
Củ sen tắm TOTO TBG03302VA là thành phần cốt lõi, chịu trách nhiệm điều chỉnh và cung cấp nước nóng/lạnh một cách ổn định. Thuộc bộ sưu tập GS danh tiếng, sản phẩm này sở hữu thiết kế tối giản nhưng không kém phần sang trọng, dễ dàng hòa hợp với mọi không gian phòng tắm hiện đại.
Kết hợp cùng củ sen là tay sen tắm TOTO TBW02006A, một kiệt tác công nghệ mang đến trải nghiệm tắm gội đa dạng và thư giãn.
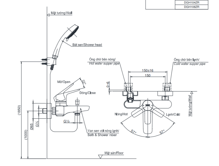
Bảng vẽ kỹ thuật:

Bộ sản phẩm này không chỉ sở hữu vẻ ngoài ấn tượng mà còn tích hợp nhiều công nghệ tiên tiến, mang lại những lợi ích vượt trội cho người sử dụng.
Sự kết hợp giữa củ sen và tay sen theo phong cách tối giản, hiện đại của TOTO tạo nên một tổng thể hài hòa, sang trọng, góp phần nâng tầm không gian phòng tắm. Chất liệu cao cấp cùng lớp mạ Niken dày gấp 3 lần so với tiêu chuẩn thông thường không chỉ tăng tính thẩm mỹ mà còn đảm bảo khả năng chống ăn mòn, chống trầy xước, giữ cho sản phẩm luôn như mới sau nhiều năm sử dụng. Điều này thể hiện cam kết của TOTO về chất lượng và độ bền vững.
Điểm sáng của củ sen TOTO TBG03302VA nằm ở công nghệ tay gạt siêu êm độc quyền. Van chính sử dụng đĩa sứ cao cấp, được thiết kế thông minh giúp việc điều chỉnh lượng nước và nhiệt độ trở nên cực kỳ mượt mà và chính xác. Ngay cả khi bạn cần một lượng nước rất nhỏ, ví dụ như khi vệ sinh kính áp tròng, tay gạt vẫn cho phép điều chỉnh dễ dàng, tránh lãng phí nước. Công nghệ này mang lại trải nghiệm sử dụng tiện lợi và tiết kiệm.
Tay sen TOTO TBW02006A là minh chứng cho sự đổi mới công nghệ của TOTO trong việc nâng cao trải nghiệm tắm gội:
Đầu tư vào bộ sen tắm nóng lạnh TOTO TBG03302VA/TBW02006A không chỉ là mua sắm một thiết bị vệ sinh, mà còn là đầu tư vào sức khỏe, sự thư giãn và nâng cao chất lượng cuộc sống.
Với các chế độ massage đa dạng, bạn có thể tùy chỉnh trải nghiệm tắm của mình theo tâm trạng và nhu cầu. Từ sự thư thái nhẹ nhàng của Warm Spa đến sự sảng khoái mạnh mẽ của Active Wave, mỗi lần tắm đều trở thành một liệu pháp spa cá nhân ngay tại nhà.
Công nghệ điều chỉnh nước chính xác của TOTO, đặc biệt là với tay gạt siêu êm, giúp bạn kiểm soát lượng nước sử dụng một cách tối ưu. Điều này không chỉ góp phần bảo vệ môi trường mà còn giúp giảm hóa đơn tiền nước hàng tháng.
Chất liệu cao cấp, lớp mạ bền bỉ và công nghệ sản xuất tiên tiến của TOTO đảm bảo bộ sen tắm có tuổi thọ cao. Bề mặt sản phẩm cũng rất dễ dàng vệ sinh, chỉ cần lau chùi nhẹ nhàng với khăn mềm là đã giữ được vẻ sáng bóng như mới.
Thiết kế sang trọng, tinh tế của bộ sen tắm TOTO góp phần tạo nên không gian phòng tắm hiện đại, đẳng cấp, phản ánh gu thẩm mỹ tinh tế của gia chủ. Nó không chỉ là thiết bị chức năng mà còn là một điểm nhấn trang trí.
Bộ sen tắm nóng lạnh TOTO TBG03302VA/TBW02006A phù hợp với hầu hết các loại hình nhà ở, từ căn hộ chung cư, nhà phố đến biệt thự cao cấp. Sản phẩm được thiết kế để lắp đặt tương thích với hệ thống cấp nước nóng và lạnh tiêu chuẩn.
Để đảm bảo bộ sen tắm hoạt động hiệu quả và bền bỉ nhất, việc lựa chọn đơn vị cung cấp và lắp đặt uy tín là rất quan trọng. Các chuyên gia của chúng tôi sẵn sàng tư vấn chi tiết về sản phẩm, giải đáp mọi thắc mắc và hỗ trợ lắp đặt chuyên nghiệp, đảm bảo đúng kỹ thuật và thẩm mỹ cho không gian phòng tắm của bạn. Chúng tôi cũng cung cấp các dịch vụ sửa chữa, bảo hành, bảo trì để quý khách hàng hoàn toàn yên tâm trong quá trình sử dụng.
TOTO là thương hiệu thiết bị vệ sinh hàng đầu Nhật Bản với bề dày lịch sử hơn 100 năm, nổi tiếng toàn cầu về chất lượng, công nghệ và thiết kế. Lựa chọn sen tắm nóng lạnh TOTO là sự đầu tư thông minh cho một cuộc sống tiện nghi, thoải mái và đẳng cấp.
Từ các sản phẩm thiết bị vệ sinh cơ bản như bồn cầu, lavabo, vòi sen, phụ kiện, bồn tắm cho đến các giải pháp toàn diện hơn như bồn nước, máy nước nóng, bồn rửa chén, máy lọc nước, thiết bị nhà bếp, đèn trang trí, khóa điện tử, năng lượng mặt trời, TOTO luôn mang đến những sản phẩm đạt tiêu chuẩn khắt khe nhất.
Với bộ sen tắm nóng lạnh TOTO TBG03302VA/TBW02006A, bạn không chỉ sở hữu một sản phẩm chất lượng mà còn trải nghiệm sự khác biệt mà công nghệ và sự tận tâm mang lại.
Thông tin liên hệ:
CÔNG TY TNHH THƯƠNG MẠI DỊCH VỤ H.MAI
Địa chỉ: 1104 Phạm Văn Đồng, Phường Thủ Đức, TP Hồ Chí Minh
Hotline: 0911997352
Điện thoại: 0911997352
Email: noithatanhhung1104@gmail.com
Website: https://noithatanhhung.com
Liên hệ ngay
Liên hệ ngay
Liên hệ ngay
Liên hệ ngay
Liên hệ ngay
Liên hệ ngay
Liên hệ ngay
Liên hệ ngay