Bộ vòi sen kết hợp giữa củ sen tắm và tay sen:
Củ sen tắm TOTO TBG01302VA
Tay sen tắm TOTO TBW09000V
Bộ sen tắm nóng lạnh TOTO TBG01302VA TBW09000V
Trong bối cảnh nhu cầu về sự tiện nghi và thẩm mỹ trong không gian phòng tắm ngày càng cao, việc lựa chọn một bộ sen tắm chất lượng, bền bỉ và tích hợp công nghệ tiên tiến là điều mà nhiều gia đình quan tâm. Bộ sen tắm nóng lạnh TOTO TBG01302VA TBW09000V nổi lên như một giải pháp tối ưu, mang đến trải nghiệm tắm gội hoàn hảo, kết hợp giữa thiết kế tinh tế và hiệu suất vượt trội.

Bộ sen tắm nóng lạnh TOTO TBG01302VA TBW09000V là sự kết hợp hoàn hảo giữa củ sen tắm TOTO TBG01302VA và tay sen TOTO TBW09000V, được TOTO - thương hiệu thiết bị vệ sinh danh tiếng Nhật Bản - sản xuất và phân phối. Sản phẩm này không chỉ đáp ứng nhu cầu cơ bản về nước nóng và lạnh mà còn nâng tầm trải nghiệm tắm gội lên một tầm cao mới nhờ vào công nghệ hiện đại và thiết kế độc đáo.
Củ sen tắm TOTO TBG01302VA thuộc bộ sưu tập GO, nổi bật với thiết kế hiện đại và chất liệu cao cấp. Sản phẩm được chế tác từ đồng, một vật liệu bền bỉ và an toàn cho sức khỏe, sau đó được mạ Niken-Chrome dày dặn. Lớp mạ này không chỉ tạo nên vẻ ngoài sáng bóng, sang trọng mà còn tăng cường khả năng chống ăn mòn, oxy hóa, giữ cho sản phẩm luôn bền đẹp theo thời gian. Tay gạt đơn của củ sen được thiết kế thông minh, giúp người dùng dễ dàng điều chỉnh cả lưu lượng và nhiệt độ nước một cách chính xác và mượt mà.
Thông số kỹ thuật của củ sen tắm TOTO TBG01302VA:
Đi kèm với củ sen là tay sen tắm TOTO TBW09000V. Sản phẩm này được làm từ nhựa cao cấp, bề mặt mạ Niken-Crom sáng bóng, tương đồng với củ sen, tạo nên sự hài hòa về thẩm mỹ. Với đường kính 110 mm, bát sen có kích thước lớn, mang lại cảm giác bao trùm và thư thái khi sử dụng. Thiết kế dạng tròn cùng với một chế độ phun duy nhất tập trung vào việc cung cấp dòng nước mạnh mẽ, đều đặn, giúp massage cơ thể, xua tan mệt mỏi hiệu quả.
Một điểm cộng lớn của tay sen TOTO TBW09000V là đầu phun được làm từ chất liệu silicon. Chất liệu này không chỉ mềm mại, tạo cảm giác dễ chịu khi tiếp xúc với da mà còn giúp việc vệ sinh trở nên vô cùng đơn giản. Người dùng có thể dễ dàng lau chùi các cặn bẩn, vôi hóa bám trên đầu phun chỉ bằng một thao tác nhẹ nhàng, đảm bảo vệ sinh và tuổi thọ cho sản phẩm.
Thông số kỹ thuật của tay sen tắm TOTO TBW09000V:
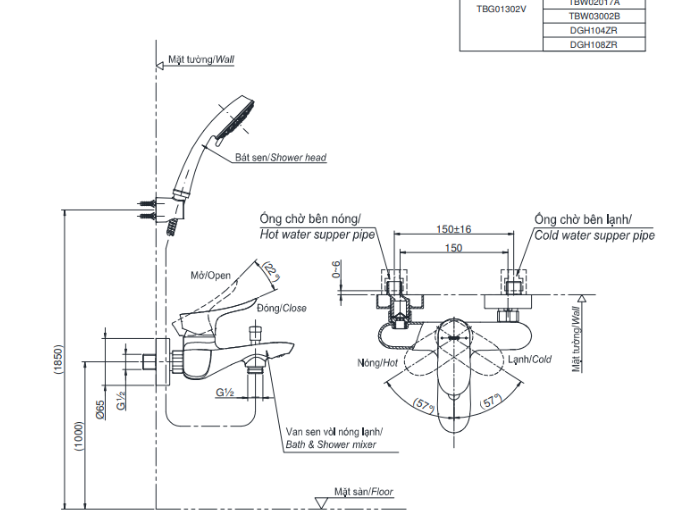
Bảng vẽ kỹ thuật:

Bộ sen tắm nóng lạnh này sở hữu nhiều ưu điểm vượt trội, làm hài lòng cả những khách hàng khó tính nhất:
TOTO luôn chú trọng đến yếu tố thẩm mỹ, và bộ sen tắm này không ngoại lệ. Với đường nét thiết kế tối giản, hiện đại cùng bề mặt lớp mạ Niken-Chrome sáng bóng, sản phẩm dễ dàng hòa hợp với mọi phong cách nội thất phòng tắm, từ cổ điển đến đương đại, mang lại vẻ đẹp sang trọng và đẳng cấp cho không gian.
Điểm khác biệt làm nên chất lượng của các sản phẩm TOTO nói chung và bộ sen tắm này nói riêng chính là lớp mạ Niken-Chrome dày gấp 3 lần so với tiêu chuẩn thông thường. Điều này mang lại khả năng chống ăn mòn, chống trầy xước và chống oxy hóa vượt trội, đảm bảo sản phẩm luôn giữ được vẻ sáng bóng như mới dù sử dụng trong môi trường ẩm ướt. Lớp mạ này cũng góp phần bảo vệ sức khỏe người dùng khỏi các tác động tiêu cực từ kim loại.
TOTO tự hào với công nghệ tay gạt siêu êm độc quyền. Cấu tạo van bên trong sử dụng đĩa sứ cao cấp, được thiết kế với độ chính xác cao, mang lại trải nghiệm điều chỉnh nước vô cùng mượt mà và êm ái. Khác với các loại vòi nước thông thường, vòi TOTO cho phép người dùng kiểm soát chính xác lượng nước mong muốn, dù là một dòng chảy nhỏ nhất khi rửa kính áp tròng hay dòng nước mạnh mẽ khi tắm. Sự tiện lợi này giúp tiết kiệm nước hiệu quả và mang lại sự hài lòng tối đa cho người sử dụng.
Kích thước bát sen lớn (110 mm) của TOTO TBW09000V được thiết kế để tạo ra hiệu ứng dòng nước bao trùm, mô phỏng như những cơn mưa nhiệt đới. Trải nghiệm này mang lại cảm giác thư thái, sảng khoái, giúp cơ thể được thư giãn hoàn toàn sau những giờ làm việc căng thẳng. Dòng nước chảy đều và mạnh mẽ từ bát sen không chỉ làm sạch cơ thể mà còn có tác dụng massage nhẹ nhàng, giải tỏa mọi căng cơ và mệt mỏi.
Với một chế độ phun duy nhất, tay sen TOTO TBW09000V tập trung vào việc mang lại hiệu quả tắm tốt nhất. Chế độ này được tối ưu hóa để tạo ra dòng nước lý tưởng, vừa đủ mạnh để làm sạch hiệu quả, vừa đủ êm ái để tạo cảm giác dễ chịu. Như đã đề cập, đầu phun bằng silicon là một cải tiến đáng giá, giúp việc vệ sinh trở nên nhanh chóng và dễ dàng, giữ cho sản phẩm luôn trong tình trạng tốt nhất và đảm bảo nguồn nước sạch.
Bộ sen tắm nóng lạnh TOTO TBG01302VA TBW09000V là lựa chọn lý tưởng cho mọi gia đình muốn nâng cấp không gian phòng tắm. Sản phẩm phù hợp với các căn hộ, nhà phố, biệt thự, đặc biệt là những không gian đề cao sự tiện nghi, thẩm mỹ và chất lượng. Với khả năng chịu áp lực nước đa dạng, sản phẩm có thể lắp đặt ở nhiều khu vực khác nhau, đảm bảo hoạt động hiệu quả.
Khi mua sắm các thiết bị vệ sinh nói chung và sen tắm nóng lạnh nói riêng, việc lựa chọn nhà cung cấp uy tín là vô cùng quan trọng. Nội Thất Anh Hùng tự hào là đối tác tin cậy của các thương hiệu thiết bị vệ sinh hàng đầu, mang đến cho khách hàng những sản phẩm chính hãng, chất lượng cao với giá cả cạnh tranh. Chúng tôi cung cấp đa dạng các sản phẩm từ bồn cầu, lavabo, vòi sen, phụ kiện, bồn tắm cho đến các thiết bị nhà bếp, máy nước nóng, máy lọc nước, năng lượng mặt trời và các giải pháp chiếu sáng, khóa điện tử.
Bên cạnh đó, Nội Thất Anh Hùng còn cung cấp các dịch vụ hậu mãi chu đáo như tư vấn sản phẩm chuyên nghiệp, lắp đặt tận nơi, sửa chữa và bảo trì thiết bị. Đội ngũ nhân viên giàu kinh nghiệm của chúng tôi luôn sẵn sàng hỗ trợ quý khách hàng lựa chọn được sản phẩm ưng ý nhất và giải đáp mọi thắc mắc.
CÔNG TY TNHH THƯƠNG MẠI DỊCH VỤ H.MAI
Địa chỉ: 1104 Phạm Văn Đồng, Phường Thủ Đức, TP Hồ Chí Minh
Hotline: 0911997352
Điện thoại: 0911997352
Email: noithatanhhung1104@gmail.com
Website: https://noithatanhhung.com
Liên hệ ngay
Liên hệ ngay
Liên hệ ngay
Liên hệ ngay
Liên hệ ngay
Liên hệ ngay
Liên hệ ngay
Liên hệ ngay