Bộ vòi sen kết hợp giữa củ sen tắm và tay sen:
Củ sen tắm TOTO TBG01302VA
Tay sen tắm TOTO TBW02006V
Bộ sen tắm nóng lạnh TOTO TBG01302VA TBW02006V
Trong thế giới thiết bị vệ sinh hiện đại, việc lựa chọn một bộ sen tắm không chỉ đơn thuần là đáp ứng nhu cầu cơ bản mà còn thể hiện gu thẩm mỹ và mong muốn nâng cao chất lượng cuộc sống. Bộ sen tắm nóng lạnh TOTO TBG01302VA TBW02006V là một minh chứng điển hình cho sự kết hợp hoàn hảo giữa công nghệ tiên tiến, thiết kế tinh tế và trải nghiệm người dùng vượt trội, mang đến không gian phòng tắm sự sang trọng và tiện nghi đích thực.

Bộ sen tắm nóng lạnh TOTO TBG01302VA TBW02006V là sự phối hợp hài hòa giữa củ sen tắm hiện đại và tay sen đa năng, mang đến giải pháp tắm toàn diện cho mọi gia đình. Sản phẩm thuộc dòng GO của TOTO, nổi bật với chất liệu cao cấp, công nghệ độc quyền và thiết kế thẩm mỹ, đáp ứng nhu cầu ngày càng cao của người tiêu dùng về một không gian phòng tắm đẳng cấp và tiện nghi.
Củ sen tắm TOTO TBG01302VA thuộc bộ sưu tập GO, được chế tác từ chất liệu đồng nguyên chất, bề mặt mạ Niken-Chrome cao cấp. Lớp mạ này không chỉ mang lại vẻ ngoài sáng bóng, sang trọng mà còn đảm bảo độ bền vượt trội, chống ăn mòn và dễ dàng vệ sinh. Thiết kế tay gạt đơn mang đến sự tinh tế, tối giản nhưng vẫn đảm bảo tính năng điều khiển nước nóng lạnh một cách chính xác và mượt mà.
Áp lực nước khuyến nghị cho củ sen này là từ 0.1 đến 0.5 MPa, đảm bảo hoạt động ổn định trong hầu hết các hệ thống cấp nước dân dụng. Áp lực tối thiểu là 0.05 MPa và áp lực tối đa là 1.0 MPa, cho thấy khả năng thích ứng linh hoạt với các điều kiện áp lực khác nhau. Tay gạt đơn cho phép người dùng dễ dàng điều chỉnh nhiệt độ và lưu lượng nước chỉ với một thao tác đơn giản.
Tay sen TOTO TBW02006V được làm từ nhựa ABS cao cấp, phủ lớp mạ Niken-Chrome sáng bóng, tạo cảm giác chắc chắn và sang trọng. Với đường kính 110 mm và thiết kế dáng vuông viền vát tròn, tay sen không chỉ mang tính thẩm mỹ cao mà còn tạo cảm giác cầm nắm thoải mái, dễ dàng điều chỉnh hướng phun.
Điểm nhấn đặc biệt của tay sen này là 3 chế độ massage tiên tiến: Warm Spa, Active Wave và Comfort Wave. Mỗi chế độ mang đến một trải nghiệm thư giãn và sảng khoái khác nhau:
Áp lực nước hoạt động hiệu quả cho tay sen này nằm trong khoảng 0.05 - 0.75 MPa, tương thích với nhiều hệ thống cấp nước.
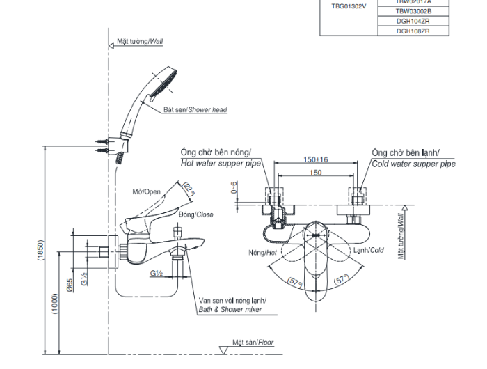
Bảng vẽ kỹ thuật:

Bộ sen tắm TOTO TBG01302VA/TBW02006V sở hữu đường nét thiết kế hiện đại, tối giản, phù hợp với nhiều phong cách nội thất phòng tắm khác nhau, từ cổ điển đến đương đại. Lớp mạ Niken-Chrome bóng bẩy, kết hợp với chất liệu cao cấp, tạo nên vẻ đẹp sang trọng và đẳng cấp cho không gian.
Một trong những ưu điểm nổi bật của sản phẩm là công nghệ mạ tiên tiến. Lớp mạ Niken trên sản phẩm dày gấp 3 lần so với tiêu chuẩn thông thường, mang lại khả năng chống ăn mòn, chống trầy xước và giữ cho bề mặt sen tắm luôn sáng bóng theo thời gian. Điều này không chỉ tăng tính thẩm mỹ mà còn kéo dài tuổi thọ của sản phẩm, giúp bạn tiết kiệm chi phí sửa chữa và thay thế.
TOTO nổi tiếng với công nghệ tay gạt siêu êm độc quyền, đảm bảo mọi thao tác điều chỉnh nước đều diễn ra mượt mà và nhẹ nhàng. Thành phần chính của van là đĩa sứ cao cấp, có độ bền cao và khả năng chống mài mòn tuyệt vời. Thiết kế tay gạt thông minh giúp người dùng dễ dàng điều chỉnh lượng nước mong muốn, ngay cả những nhu cầu nhỏ nhất như rửa kính áp tròng, mang lại sự tiện lợi tối đa.
Như đã đề cập ở trên, ba chế độ massage của tay sen TOTO TBW02006V là điểm cộng lớn, mang đến những trải nghiệm tắm đa dạng: từ sự êm dịu, ấm áp của Warm Spa, đến cảm giác mạnh mẽ, sảng khoái của Active Wave và Comfort Wave. Những công nghệ này giúp thư giãn cơ bắp, giảm căng thẳng, mang lại sự sảng khoái tức thì sau một ngày dài làm việc mệt mỏi.
Sử dụng bộ sen tắm nóng lạnh TOTO TBG01302VA TBW02006V mang lại nhiều lợi ích thiết thực:
Bộ sen tắm nóng lạnh TOTO TBG01302VA TBW02006V là lựa chọn lý tưởng cho các hộ gia đình, căn hộ chung cư, biệt thự, khách sạn, resort hay các công trình cao cấp. Sản phẩm phù hợp với những ai đề cao chất lượng, tính thẩm mỹ và mong muốn sở hữu những thiết bị vệ sinh bền bỉ, mang lại trải nghiệm sử dụng vượt trội.
Tại Nội Thất Anh Hùng, chúng tôi cung cấp đa dạng các sản phẩm thiết bị vệ sinh cao cấp, bao gồm cả bộ sen tắm nóng lạnh TOTO TBG01302VA TBW02006V. Bên cạnh đó, chúng tôi còn có các sản phẩm như bồn cầu, lavabo, vòi sen, phụ kiện, bồn tắm, bồn nước, máy nước nóng, bồn rửa chén, máy lọc nước, các sản phẩm thiết bị nhà bếp, đèn trang trí, khóa điện tử và các giải pháp năng lượng mặt trời. Chúng tôi cam kết mang đến những sản phẩm chính hãng, chất lượng với dịch vụ tư vấn chuyên nghiệp, hỗ trợ lắp đặt, sửa chữa và bảo trì tận tình.
Hãy liên hệ với chúng tôi để được tư vấn và lựa chọn sản phẩm phù hợp nhất cho không gian sống của bạn.
THÔNG TIN LIÊN HỆ:
CÔNG TY TNHH THƯƠNG MẠI DỊCH VỤ H.MAI
Địa chỉ: 1104 Phạm Văn Đồng, Phường Thủ Đức, TP Hồ Chí Minh
Hotline: 0911997352
Điện thoại: 0911997352
Email: noithatanhhung1104@gmail.com
Website: https://www.noithatanhhung.com
Liên hệ ngay
Liên hệ ngay
Liên hệ ngay
Liên hệ ngay
Liên hệ ngay
Liên hệ ngay
Liên hệ ngay
Liên hệ ngay