Bộ vòi sen kết hợp giữa củ sen tắm và tay sen:
Củ sen tắm TOTO TBG01302VA
Tay sen tắm TOTO TBW01010V
Bộ sen tắm nóng lạnh TOTO TBG01302VA TBW01010V
Trong thế giới nội thất phòng tắm hiện đại, việc lựa chọn một bộ sen tắm không chỉ dừng lại ở công năng mà còn là sự thể hiện gu thẩm mỹ và nhu cầu trải nghiệm. Bộ sen tắm nóng lạnh TOTO TBG01302VA TBW01010V nổi lên như một giải pháp toàn diện, kết hợp công nghệ tiên tiến, vật liệu cao cấp và thiết kế tinh xảo, mang đến trải nghiệm tắm thư giãn và tiện nghi đỉnh cao cho người sử dụng.

Bộ sen tắm nóng lạnh TOTO TBG01302VA TBW01010V là sự kết hợp hoàn hảo giữa củ sen tắm TOTO TBG01302VA thuộc bộ sưu tập GO và tay sen TOTO TBW01010V. Sản phẩm này không chỉ đáp ứng nhu cầu cơ bản về điều chỉnh nhiệt độ nước mà còn nâng tầm không gian phòng tắm với vẻ đẹp sang trọng và các tính năng massage độc đáo.
Củ sen tắm TOTO TBG01302VA là trái tim của bộ sen tắm, được thiết kế với phong cách hiện đại, thuộc bộ sưu tập GO danh tiếng của TOTO. Với chất liệu đồng cao cấp được mạ Niken-Chrome, sản phẩm không chỉ đảm bảo độ bền bỉ vượt thời gian mà còn mang lại vẻ sáng bóng, sang trọng cho không gian phòng tắm.
Thông số kỹ thuật đáng chú ý của củ sen tắm này bao gồm:
Tay sen TOTO TBW01010V là điểm nhấn mang đến trải nghiệm tắm đa dạng và thư giãn. Với thiết kế tròn tinh tế và đường kính 110 mm, tay sen này tạo cảm giác cầm nắm thoải mái và phân bổ tia nước đều khắp cơ thể.
Các tính năng của tay sen bao gồm:
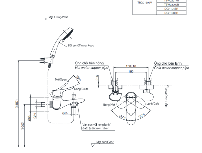
Bảng vẽ kỹ thuật:

Bộ sen tắm nóng lạnh TOTO này không chỉ là một thiết bị vệ sinh thông thường mà còn là sự đầu tư cho sức khỏe và trải nghiệm sống. Với những công nghệ và thiết kế độc quyền, sản phẩm mang lại những lợi ích vượt trội.
Ngay từ cái nhìn đầu tiên, bộ sen tắm TOTO TBG01302VA TBW01010V đã chinh phục người dùng bởi vẻ ngoài sang trọng, đường nét tinh tế, hài hòa, góp phần nâng tầm thẩm mỹ cho không gian phòng tắm. Lớp mạ Niken dày gấp 3 lần so với tiêu chuẩn thông thường không chỉ tạo hiệu ứng sáng bóng, đẹp mắt mà còn tăng cường khả năng chống ăn mòn, chống trầy xước, đảm bảo sản phẩm luôn giữ được vẻ mới theo thời gian, ngay cả trong môi trường có độ ẩm cao.
TOTO nổi tiếng với công nghệ tay gạt siêu êm độc quyền, và bộ sen tắm này cũng không ngoại lệ. Tay gạt được thiết kế để luôn hoạt động êm ái, nhẹ nhàng sau hàng ngàn lần sử dụng. Thành phần chính của van điều khiển là đĩa sứ cao cấp, với độ bền và độ chính xác cao. Điều này cho phép người dùng dễ dàng điều chỉnh lượng nước và nhiệt độ mong muốn một cách tức thì và chính xác. Ngay cả khi bạn chỉ cần một lượng nước nhỏ cho các tác vụ như rửa kính áp tròng, bạn vẫn có thể điều chỉnh một cách dễ dàng mà không gặp phải tình trạng nước chảy quá mạnh hoặc khó kiểm soát, thể hiện sự tinh tế trong từng chi tiết thiết kế của TOTO.
Bộ sen tắm được trang bị hai công nghệ massage hiện đại, mang đến trải nghiệm tắm thư giãn và sảng khoái tuyệt vời. Công nghệ COMFORT WAVE tạo ra những tia nước mạnh mẽ nhưng vẫn êm dịu khi tiếp xúc với làn da, mang lại cảm giác thư thái và giảm căng thẳng hiệu quả. Trong khi đó, công nghệ ACTIVE WAVE với lực phun nhịp nhàng và cường độ mạnh hơn, giúp kích thích tuần hoàn máu, đánh thức cơ thể và mang đến một khởi đầu ngày mới đầy hứng khởi hoặc giúp bạn phục hồi năng lượng sau một ngày dài làm việc. Điều đáng chú ý là cả hai công nghệ này đều được thiết kế để sử dụng lượng nước hợp lý, góp phần vào việc tiết kiệm nước mà vẫn đảm bảo hiệu quả massage tối ưu, phù hợp với xu hướng sống xanh hiện nay.
Công nghệ chạm nhẹ lan tỏa WARM SPA là một điểm cộng độc đáo, mang đến cảm giác chăm sóc làn da tối ưu. Công nghệ này sử dụng cấu trúc bên trong được thiết kế đặc biệt để kiểm soát dòng chảy của nước, tạo ra một cảm giác êm ái, dịu dàng khi nước chạm vào cơ thể. Dòng chảy nhẹ nhàng này còn có khả năng ngăn chặn quá trình tản nhiệt nhanh chóng, giữ cho nước ấm lâu hơn. Khi nước từ sen tắm trần (nếu có) tuôn chảy nhẹ nhàng, lan tỏa và ôm trọn cơ thể, bạn sẽ cảm nhận được sự thư giãn sâu sắc và cảm giác ấm áp dễ chịu lan tỏa khắp cơ thể. Đây thực sự là một trải nghiệm tắm mang tính trị liệu, giúp làm ấm cơ thể một cách dễ chịu, đặc biệt là trong những ngày thời tiết se lạnh.
Việc lựa chọn bộ sen tắm nóng lạnh TOTO TBG01302VA TBW01010V mang lại nhiều lợi ích thiết thực cho người sử dụng, từ việc nâng cao chất lượng cuộc sống đến việc tiết kiệm tài nguyên.
Với các chế độ massage đa dạng, bộ sen tắm này biến phòng tắm thành một spa thu nhỏ, giúp bạn thư giãn, giải tỏa căng thẳng, và phục hồi năng lượng sau những giờ làm việc căng thẳng. Khả năng điều chỉnh nước chính xác và tay gạt êm ái cũng góp phần tạo nên sự thoải mái tối đa trong quá trình sử dụng.
Mặc dù mang đến trải nghiệm massage mạnh mẽ, TOTO vẫn chú trọng đến việc tối ưu hóa lượng nước sử dụng. Các công nghệ massage như COMFORT WAVE, ACTIVE WAVE và WARM SPA đều được thiết kế để hoạt động hiệu quả với lưu lượng nước vừa phải, giúp giảm thiểu lãng phí nước, góp phần bảo vệ môi trường và giảm hóa đơn tiền nước hàng tháng.
Chất liệu đồng cao cấp và lớp mạ Niken dày gấp 3 lần không chỉ đảm bảo vẻ đẹp mà còn mang lại độ bền vượt trội, chống lại các tác nhân gây hại từ môi trường nước. Các bộ phận bên trong như đĩa sứ cũng có tuổi thọ cao, giảm thiểu rủi ro hư hỏng và chi phí sửa chữa. Người dùng có thể hoàn toàn yên tâm về sự an toàn và độ bền của sản phẩm.
Thiết kế hiện đại, sang trọng của bộ sen tắm TOTO TBG01302VA TBW01010V không chỉ là một thiết bị chức năng mà còn là một điểm nhấn nghệ thuật, nâng tầm không gian sống của bạn. Sản phẩm dễ dàng hòa hợp với nhiều phong cách nội thất khác nhau, từ cổ điển đến hiện đại.
Bộ sen tắm nóng lạnh TOTO TBG01302VA TBW01010V phù hợp với nhiều không gian và đối tượng sử dụng khác nhau:
Khi lựa chọn bộ sen tắm nóng lạnh TOTO TBG01302VA TBW01010V tại Nội Thất Anh Hùng, quý khách hàng sẽ nhận được:
Đầu tư vào bộ sen tắm nóng lạnh TOTO TBG01302VA TBW01010V là đầu tư vào sự tiện nghi, sức khỏe và thẩm mỹ cho ngôi nhà của bạn. Hãy liên hệ ngay với chúng tôi để được tư vấn chi tiết và nhận ưu đãi tốt nhất.
Thông tin liên hệ:
CÔNG TY TNHH THƯƠNG MẠI DỊCH VỤ H.MAI
Địa chỉ: 1104 Phạm Văn Đồng, Phường Thủ Đức, TP Hồ Chí Minh
Hotline: 0911997352
Điện thoại: 0911997352
Email: noithatanhhung1104@gmail.com
Website: https://www.noithatanhhung.com
Liên hệ ngay
Liên hệ ngay
Liên hệ ngay
Liên hệ ngay
Liên hệ ngay
Liên hệ ngay
Liên hệ ngay
Liên hệ ngay